Мы в Instagram
Интернет магазин Личный кабинет Контакты
Заказать обратный звонок
Мы Вам позвоним

В ближайшее время с Вами свяжется персональный менеджер и ответит на интересующие вопросы.

*

*

* Помечены поля, которые необходимо заполнить

Заголовок

текст


Проект F-100

Проект  F-100

Что входит в стоимость:

В состав проекта домов из SIP (СИП) панелей входят следующие разделы:
1) Архитектурное решение (АР), включающее в себя эскизы, планы, разрезы,
виды, экспликацию помещений, ведомость и схемы оконных и дверных
заполнений и пр.;
2) Конструкторское решение (КР) для строительства - рабочий проект,
3) Конструкторское решение-1 (КР-1) для производства


Подробнее
Гарантия безопаности проведения сделки
Проект для самостоятельного монтажа дома
Раскрой и спецификациия панелей для производства
Все проекты проверены и реализованы на строительных площадках
Высоко-
квалифицированный проектный отдел
Архитектурный паспорт позволит быстрее оформить разрешение на строительство

Проект  F-100

Заказать проект

Как с вами связаться?
*
*
* Помечены поля, которые необходимо заполнить

Рассчитать мой проект

*

*

*

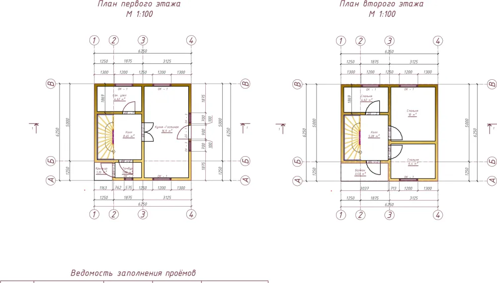
Фасады и планировки проекта

Заголовок

текст


Наши сервисы

  • KNAUF Therm
  • GLUNZ
  • GreenBoard
  • REHAU
  • KI
  • LP
  • КАЛЕВАЛА
мы применяем только лучшие материалы